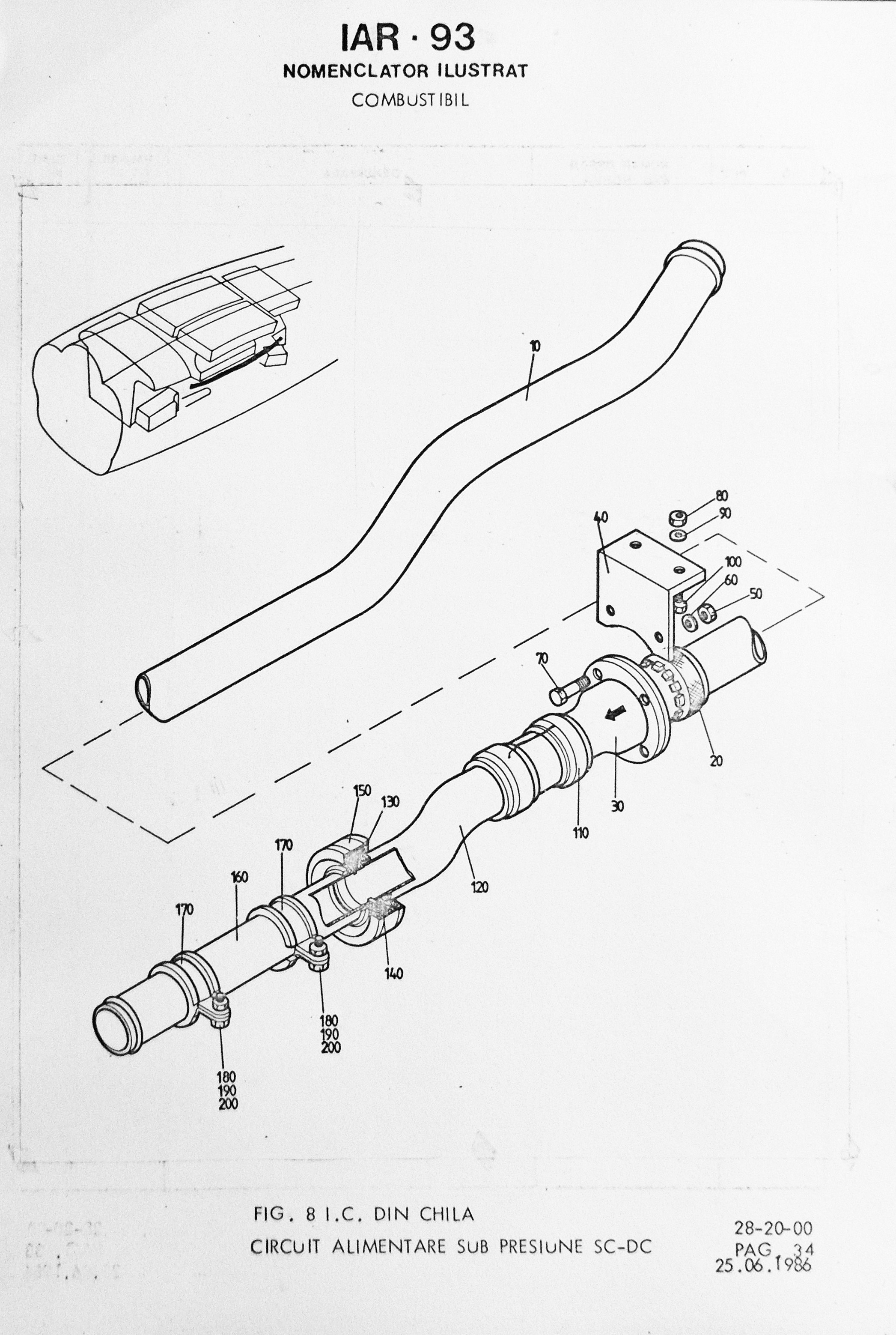
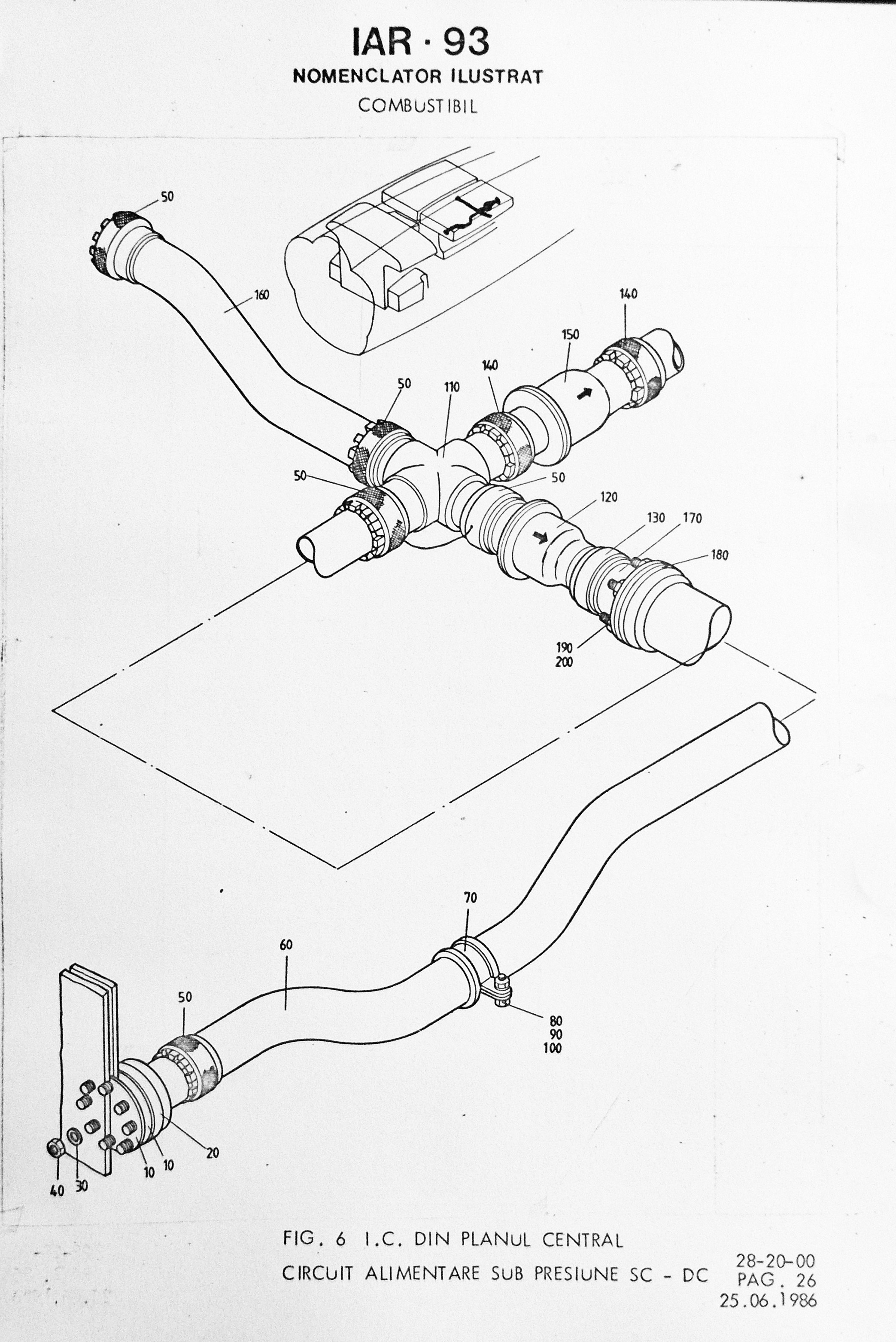
Sistemul de alimentare
Alimentarea cu combustibil a rezervoarelor avionului se realiza în mod normal sub presiune, prin intermediul unei cuple standard cu autoetanșare.
Sistemul de alimentare debita combustibil în sistemul de transfer, în timp ce aerul dein rezervoare era evacuat în atmosferă prin intermediul sistemului de ventilație a rezervoarelor.
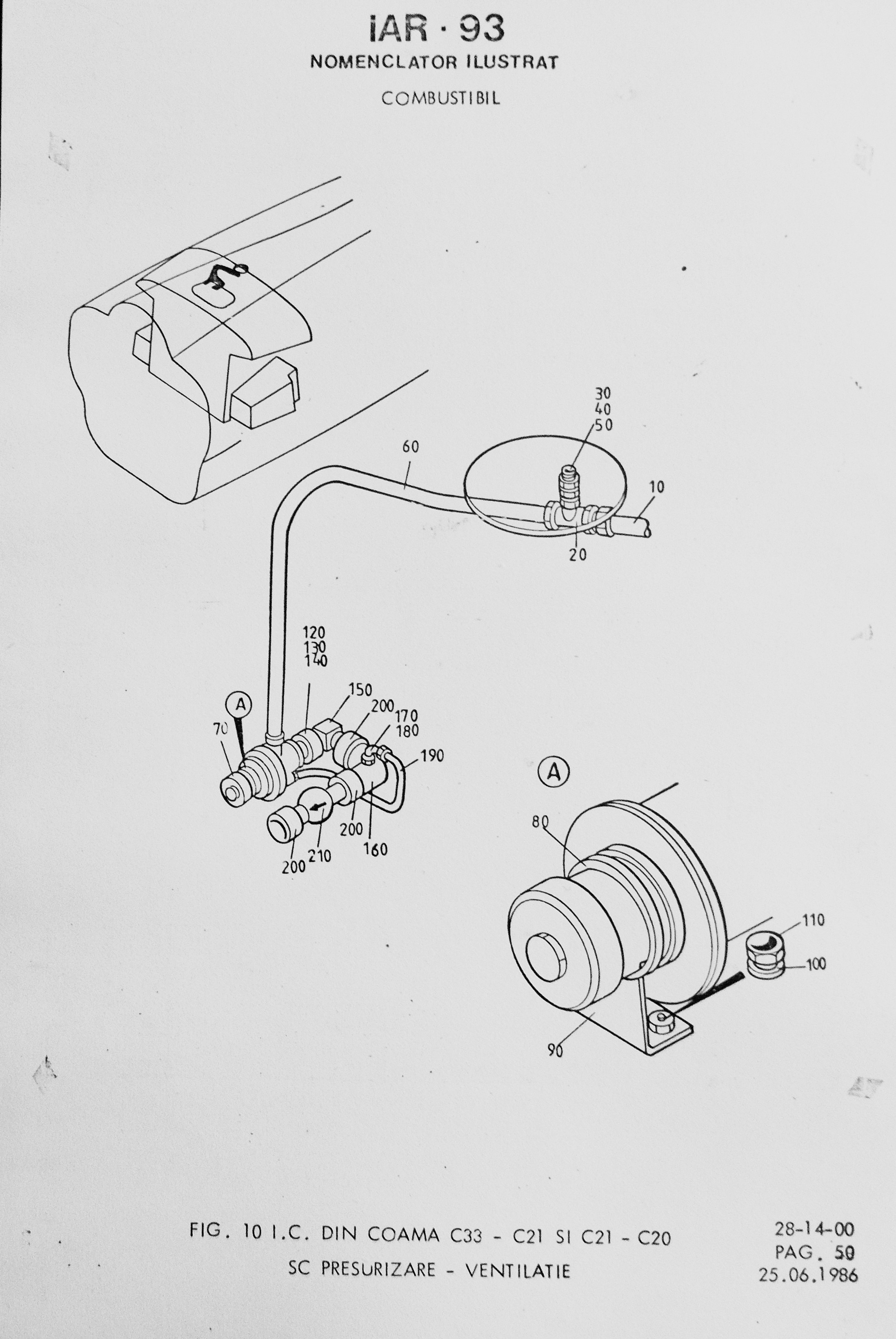
Sistemul de presurizare – ventilație
Presurizarea rezervoarelor de combustibil se realiza cu ajutorul aerului prelevat de la compresorul motorului stâng, la presiunea maximă de 9 daN/cm2, presiune care era apoi redusă până la valorile necesare funcționării normale a instalației de combustibil la diverse înălțimi și pentru asigurarea transferului de combustibil între rezervoarele suplimentare, plan central și aripă, către cele din fuzelaj.
Valorile presiunilor din rezervoare
– 0.175-0.225 daN/cm2 – rezervoare fuzelaj
– 0.350-0.400 daN/cm2 – rezervoare aripă și plan central
– 0.470-0.520 daN/cm2 – rezervoare suplimentare
Sistemul de ventilație asigura:
– limitarea suprapresiunilor din rezervoare la urcarea rapidă sau la defectarea reductoarelor de presiune pe poziția deschis
– limitarea depresiunilor din rezervoare în picaj sau la defectarea reductoarelor de presiune pe poziția închis
Limitarea se făcea prin intermediul unor supape de siguranță.
Sistemul de transfer
Transferul combustibilului din rezervoarele largabile, din cele din aripă și planul central, se făcea prin dislocarea combustibilului cu aer sub presiune.
Transferul din rez. 7 avioane preserie, se efectua cu o pompă electrică.
Transferul combustibilului se făcea automat, într-o anumită ordine, astfel încât în timul zborului, centrajul avionului să se păstreze în limitele admise.
Ordinea de consum era realizată cu ajutorul supapelor cu flotor aflate în rezervorul 2.
Schema consum avioane serie

Ordine consum avioane serie

Sistemul de alimentare motoare
Alimentarea era asigurată cu ajutorul a patru pompe actionate electric.
Când cele patru pompe funcționay normal, alimentarea fiecărui motor era independentă. Dacă intervveneaoprirea unei pompe, în conditii de avarie se asigura alimentarea încrucișată prin intermediul unui robinet cu motor electric.
Pentru zborul pe spate erau prevăzute supape care asigurau timpul maxim de zbor pe spate sau la suprasarcină negativă de 15 secunde la motoarele care nu erau prevăzute cu P.C. sau la motoarele cu P.C. dar cu ea decuplată şi de 7,5 sec. la avioanele prevăzute cu motoare cu P.C. cu aceasta cuplată.
Sistemul de măsurare – indicare
Măsurarea și indicarea cantitaților de combustibil se efectuează cu un debitmetru integrator si un litrometru capacitiv.
Prin intermediul transmițatorilor de debit se măsoara cantitățile de combustibil consumat de fiecare motor și se scade din cantitatea totală de alimentare, care este introdusa manual, la sol.
La avioanele de preserie 1 şi 2 litrometrul avea o singură scală pentru indicarea cantităţii de combustibil, iar vizualizarea cantităţii de combustibil rămase, pe grupe de rezervoare se făcea prin intermediul unui contact dispus pe tabloul de bord 12 T, „Rezervor 2” sau „Rezervor 6” . Cu avionul alimentat complet, litrometrul trebuia să indice o cantitate de 1900-1950 litri, la avioanele de .S.C şi 1500-1550 la avioanele de D.C.; de asemenea, cu avionul alimentat complet, selectând grupa de rezervoare, pentru rezervorul nr. 2 acesta indica o cantitate de 600 litri, iar grupa rezervorului 6 indica o cantitate de 850 litri. La aprinderea semnalizării „Limită combustibil” în instalaţia de combustibil mai exista o cantitate de 400-500 litri, respectiv apx. 250 litri pentru grupa de rezervoare nr. 2 şi 150 litri pentru grupa de rezervoare nr. 6.
La avioanele de serie, litrometrul era prevăzut cu două scale, câte una pentru fiecare grupă de rezervoare, indicând simultan cantitatea de combustibil din cele două grupe de rezervoare. Cu plinul făcut, fără rezervoare suplimentare, litrometrul trebuia să indice 600 litri pentru grupa de rezervoare 2(scala din stânga litrometrului) şi 900 litri pentru grupa de rezervoare 6(scala din dreapta litrometrului).
Grigore Leoveanu