Comenzile auxiliare ale avionului erau:
– comenzile motoarelor;
– comenzile cupolei (zăvorârea, dezăvorârea și largarea acesteia);
– comanda dezăvorârii mecanice a jambelor trenului de aterizare din poziția escamotat;
– comanda frânei de parcare.
- Comenzile motoarelor
Comenzile motoarelor aveau rolul de a acționa robineții de închidere a combustibilului în caz de incendiu, robineții STOP și robineții de dozare a combustibilului cu regimul de funcționare a motoarelor.

După destinație, acestea se clasificau astfel:
– comanda robineților antiincendiu, care avea rolul de a închide sau deschide robineții sferici montați înaintea filtrelor de joasă presiune de pe motoare;
– comanda robineților STOP care avea rolul de a deschide sau închide robineții STOP la pornirea sau oprirea motoarelor;
– comanda robineților de dozare a debitului de combustibil care avea rolul de a regla, din cabină, regimul de funcționare al motoarelor.
Acestea erau comenzi mecanice, realizate prin cabluri teleflex care aveau proprietatea de a transmite atât eforturile de întindere, cât și pe cele de compresiune.
Acționarea robineților mai sus menționați se realiza prin manevrarea manetelor aferente situate pe fețele superioare ale pultului stâng.
Manetele de gaze aveau posibilitatea de a se bloca asigurând stabilitatea regimului de funcționare a motoarelor. Blocarea manetelor de gaze se realiza prin intermediul unei roți de blocare dispusă pe peretele vertical al pultului stâng.
Manetele robineților antiincendiu se asigurau pe poziția DESCHIS prin intermediul unei plăcuțe care se siguranța.
Cablurile de acționare Teleflex se fixau la articulațiile manetelor de comandă și urmau un traseu prin interiorul fuzelajului central până la elementele comandate, astfel:
- a) de la manetele de gaze plecau două cabluri teleflex prin partea stângă a cabinei și, în fața cadrului 30 se ramificau stânga-dreapta până în dreptul regulatoarelor de debit BFCU ale motoarelor.
De la partea superioară a fuzelajului, paralel cu cadrul 31, cablurile teleflex coborau până la nivelul a două glisiere( stânga-dreapta) fixate cu câte un balansier prins de structura fuzelaj care transmiteau comanda la levierul regulat de debit BFCU. La motorul din stânga, balansierul se prindea direct printr-o tijă rigidă de levierul de la BFCU. La motorul drept exista un al doilea balansier montat pe motor care făcea legătura între balansierul de pe structura fuzelajului și BFCU.
. Comenzile de acționare a cupolei mobile
Comenzile de acționare a cupolei mobile includeau comenzile pentru :
– deschiderea și închiderea cupolelor, precum și zăvorârea cupolelor în lacăte și ermetizarea cabinei;
– largarea cupolei.
2.1. Deschiderea și închiderea cupolelor, zăvorârea lor în lacăte și ermetizarea cabinelor
2.1.1. La avioanele prototip 001, preserie 1 cu numerele de înmatriculare de la 109 la 114 inclusiv şi la avioanele de preserie 2 cu numerele de înmatriculare de la 150 la 152 şi la avionul 157
În spatele scaunului de catapultare era montat mecanismul de ridicare-coborâre a cupolei cabinei. Acest mecanism era compus din:
– electromecanism;
– lanț cinematic;
– cârlig de acroșare.
Electromecanismul avea rolul de a acroșa sau dezacroșa cârligul cupolei și de a ridica sau coborî cupola.
Lanțul cinematic transmitea mișcarea de la electromecanism la cupolă.
Cârligul de acroșare putea ocupa două poziții ACROȘAT la bolțul cupolei sau DEZACROȘAT.
Cârligul era acroșat în următoarele cazuri:
– cupola era coborâtă și nezăvorâtă;
– cupola se ridica sau cobora;
– cupola era ridicată.
Cârligul era dezacroșat de la bolțul cupolei când cupola era coborâtă și zăvorâtă în lacăte. Maneta de zăvorâre-dezăvorâre și ermetizare-dezermetizare ataca microîntrerupătorul care comanda dezacroșarea cârligului(pentru a permite largarea cupolei).
Ridicarea sau coborârea cupolei se putea realiza atât din interiorul cât și din exteriorul cabinei.
Manevrarea cupolei din exterior necesita următoarele operațiuni:
– cuplarea la avion a sursei de energie electrică de aerodrom sau a celei de bord( acumulator);
– se dezermetiza și se dezăvora cabina;
– se apăsa pe butonul inscripționat SUS, dispus în partea stângă a fuzelajului anterior, pentru ridicarea cupolei și pe butonul inscripționat JOS pentru coborârea cupolei. Atât pentru deschiderea cupolei, cât și pentru închiderea ei, era necesar doar un impuls prin apăsarea butoanelor SUS sau JOS, după care cupola își continua cursa fără ca butonul să fie menținut apăsat.
Deschiderea sau închiderea cupolei din interiorul cabinei necesita următoarele operațiuni:
– cuplarea sursei de energie electrică la avion;
– manevrarea comutatorului cu 3 poziții COMANDĂ CUPOLA de pe tabloul lateral stânga, în sus pentru ridicare și în jos pentru coborâre.
Deschiderea cabinei în cazul avariei sistemului normal de acționare a cupolei sau în situația lipsei energiei electrice la bord, se executa în felul următor, atât din nexterior, cât și din interiorul cabinei:
– se dezermetiza cabina și se dezăvora cupola;
– se manevra manual cupola.
Limitarea deschiderii cupolei se realiza prin intermediul unui limitator de cursă dispus în spatele cupolei.
2.1.2. La avioanele cu dublă comandă și celelalte avioane cu simplă comandă
La aceste avioane deschiderea și închiderea cupolei se executa manual, prin rabatare de la stânga la dreapta.
Fixarea pe poziția DESCHIS a cupolei în acest caz se realiza prin intermediul unei tije articulate care se prindea într-un locaș dispus pe rama parbrizului.
În poziția ÎNCHIS a cupolei, tija se fixa cu ajutorul unei cleme situate pe rama stângă a cupolei.
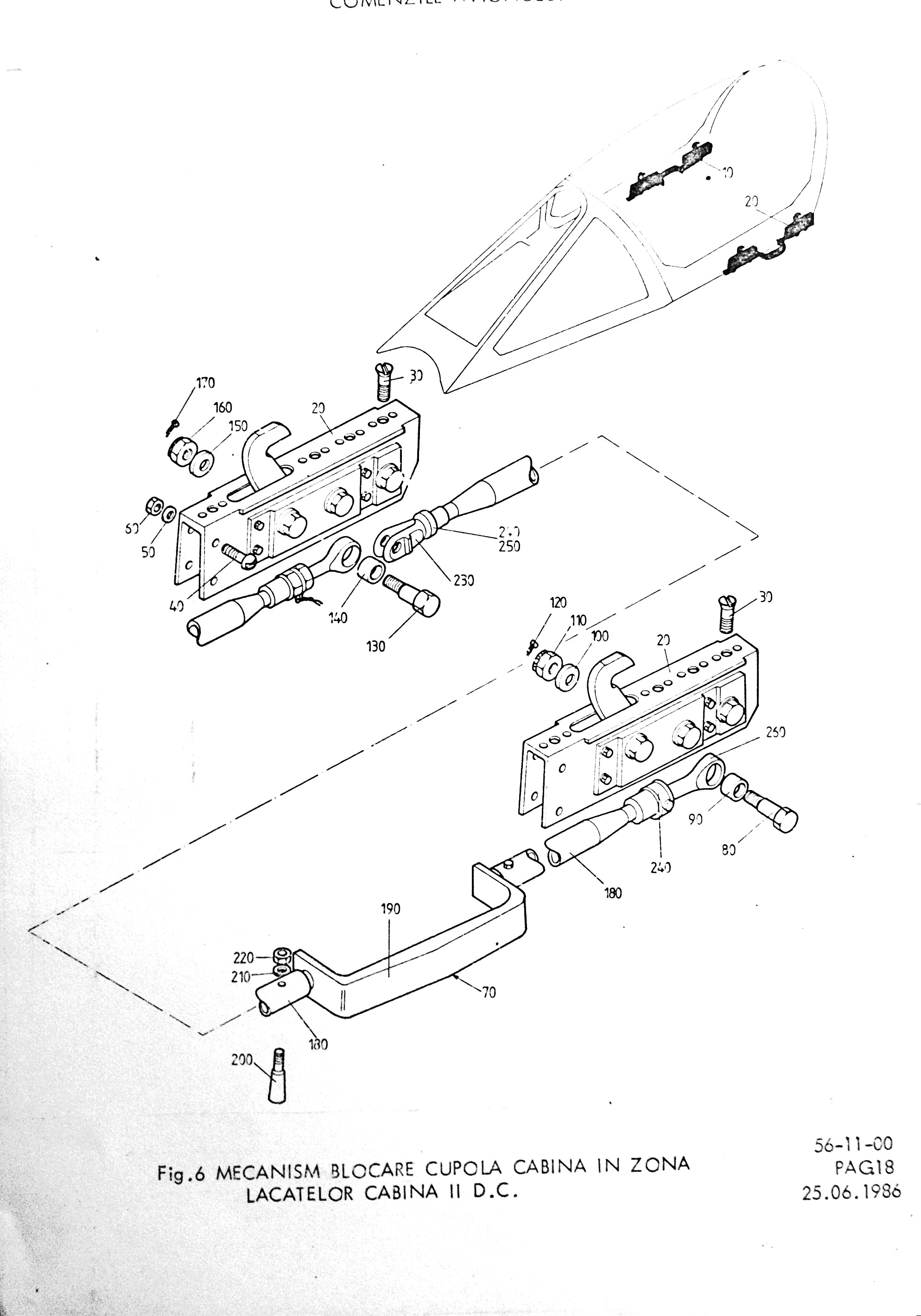
La toate avioanele, zăvorârea cupolei în lacăte și ermetizarea cabinei se realiza prin împingerea manetei de zăvorâre-ermetizare dispusă pe lonjeronul din stânga al cabinei. Dezermetizarea cabinei și dezăvorârea cupolei se realiza prin tragerea acestei manete.
După zăvorâre și ermetizare se stingeau lămpile de semnalizare CUPOLĂ NEZĂVORÂTĂ și CÂRLIG ACROȘARE ( de pe 9T), la avioanele cu simplă comandă care aveau montate cupole rabatabile în sus.
La celelalte avioane, după zăvorâre și ermetizare se stingea lampa de semnalizare CUPOLĂ DEZĂVORÂTĂ.
La avioanele cu dublă comandă, închiderea, zăvorârea și ermetizarea se executau independent, din fiecare cabină.
2.2. Largarea cupolei
În caz de necesitate, atât în zbor, cât și la sol, când cupolele erau zăvorâte, piloții aveau posibilitatea de a le larga( la avioanele cu dublă comandă, independent), pentru a putea părăsi cabina.
Sistemul de largare a cupolei era format din :
– ansamblul gaz-generator;
– supapa By-pass( de trecere);
– largatoare.
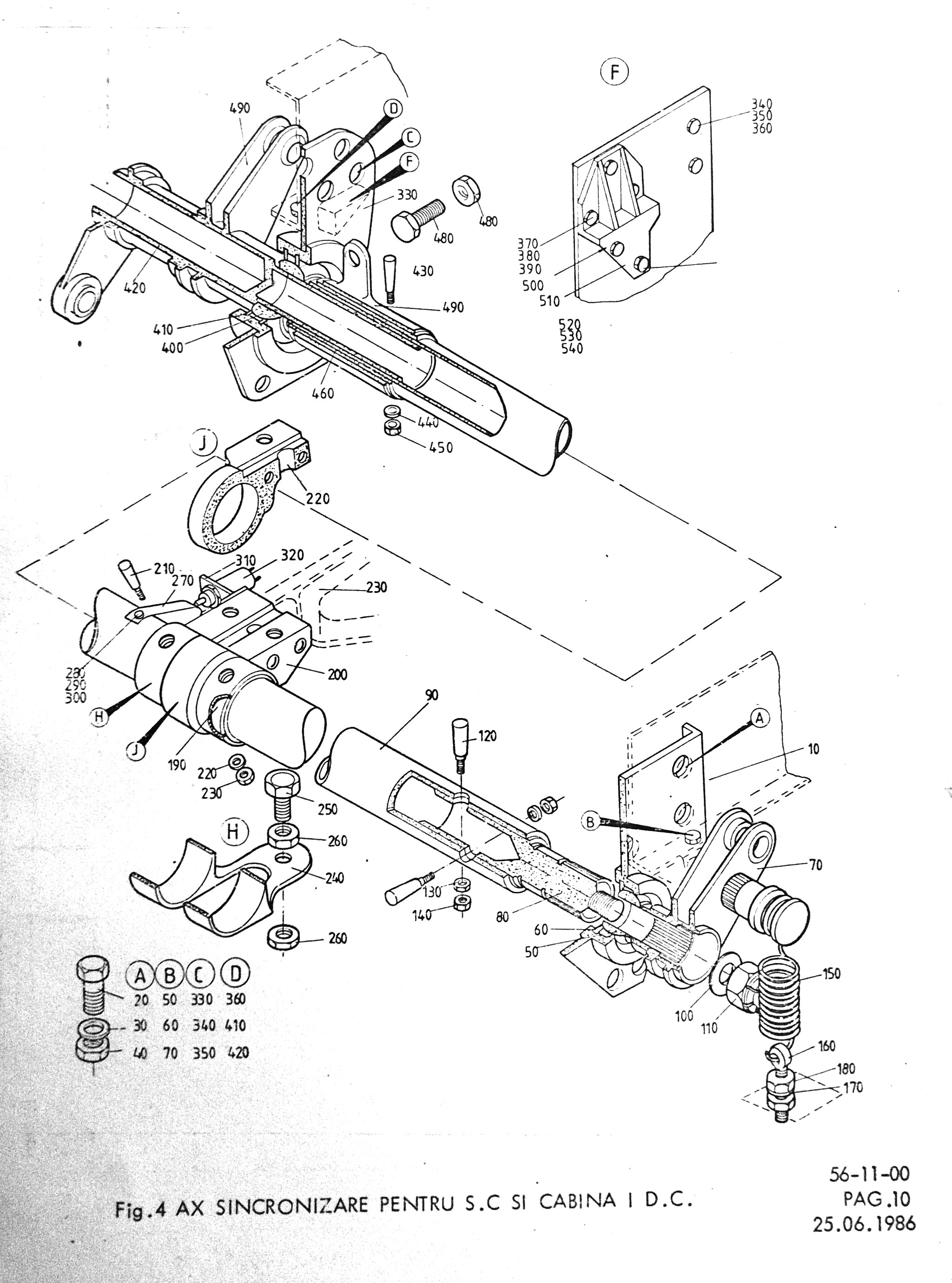
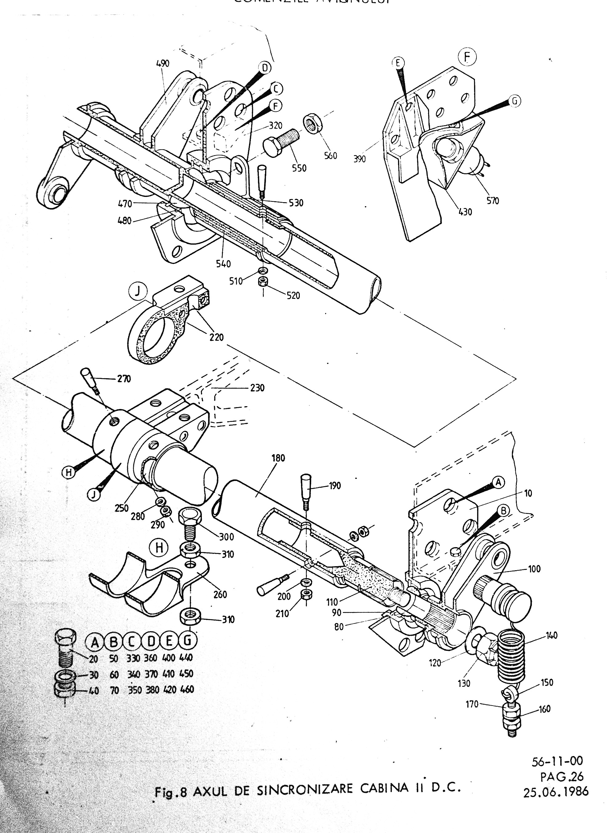
Pentru largarea cupolei se acționa prin tragere maneta LARGARE CUPOLĂ, dispusă pe lonjeronul drept al cabinei.
La avioanele cu dublă comandă, pentru acționarea manetei era necesară rotirea acesteia cu 90 de grade înainte de acționarea prin tragere.
Prin acționarea manetei de largare se producea percutarea cartușului gazo-generatorului. Gazele astfel rezultate acționau axul de sincronizare a lacătelor cupolei, dezăvorând-o. După dezăvorârea lacătelor de acroșare ale cupolei, era deschisă canalizația către largatoarele cupolei. Presiunea gazelor arse acționa pistoanele largatoarelor, care loveau în rama cupolei, producând aruncarea acesteia în spatele avionului.
Sistemul de largare a cupolei era format din elemente Martin-Baker și nu era conectat la sistemul de comandă a catapultării.

Diferențe în funcție de varianta constructivă
Ridicarea sau coborârea cupolei la avioanele preserie 1 cu numerele de înmatriculare de la 109 la 114 inclusiv şi la avioanele de preserie 2 cu numerele de înmatriculare de la 150 la 152 şi la avionul 157 se executa pe verticală la un unghi de aproximativ 41 de grade. Comanda se poate acţiona atât din interior cât şi din exteriorul cabinei prin intermediul unui electromecanism.
Acţionarea din exteriorul cabinei a cupolei acesteia se efectua prin intermediul a două butoane pentru cele două poziţii, „sus” şi „jos”, dispuse în partea stângă a fuselajului anterior. Pentru fiecare buton trebuia doar un impuls, atât pentru poziţia „sus”, cât şi pentru poziţia „jos”, nefiind necesar ca butonul să fie menţinut apăsat tot timpul cursei cupolei.
Acţionarea cupolei cabinei din interiorul acesteia se efectua prin intermediul unui comutator cu trei poziţii, „neutru”, „sus” şi „jos”, denumit „comandă cupolă”, dispus pe tabloul lateral stânga. Înainte de acţionarea din exterior cât şi din interior era necesară dezăvorârea cupolei, acţionând maneta de dezăvorâre. Comparativ cu acţionarea din exterior, comutatorul trebuie ţinut acţionat tot timpul cursei.
În ambele cazuri, acţionarea fiind de tip electric, este necesară cuplarea la avion a sursei de aerodrom sau a acumulatorului de bord.
Deschiderea şi închiderea cupolei cabinei în modalitatea expusă mai sus, se executa la avioanele de S.C. preserie nr. 1 cu numerele de înmatriculare de la 109 la 114 inclusiv şi la avioanele S.C. de preserie 2 cu numerele de înmatriculare de la 150 la 152 şi la avionul nr. 157. La celelalte avioane de S.C. au intervenit următoarele modificări:
– inscripţionarea butoanelor pentru manevrarea din exterior era „închis” şi „deschis”;
– atât pentru închidere cât şi pentru deschidere era necesară menţinerea apăsării butoanelor pe toată durata cursei cupolei; la eliberarea butonului respectiv, cupola îşi înceta mişcarea.
La avioanele de D.C. şi la celelalte avioane de S.C., cupola se rabatează manual de la stânga la dreapta. La avioanele de D.C., închiderea, zăvorârea şi ermetizarea se făcea independent, din fiecare cabină.
O altă modificare a constat în faptul că de la avionul preserie 1 s-au introdus următoarele soluții constructive(față de avioanele prototip):
- transmisia cu cablu Tteleflex a acționării din exterior a blocării cupolei a fost înlocuită cu o transmisie rigidă, formată din tije de comandă și leviere;
2. supapa de umplere-golire a șlangului era acționată de un levier montat pe axul de sincronizare
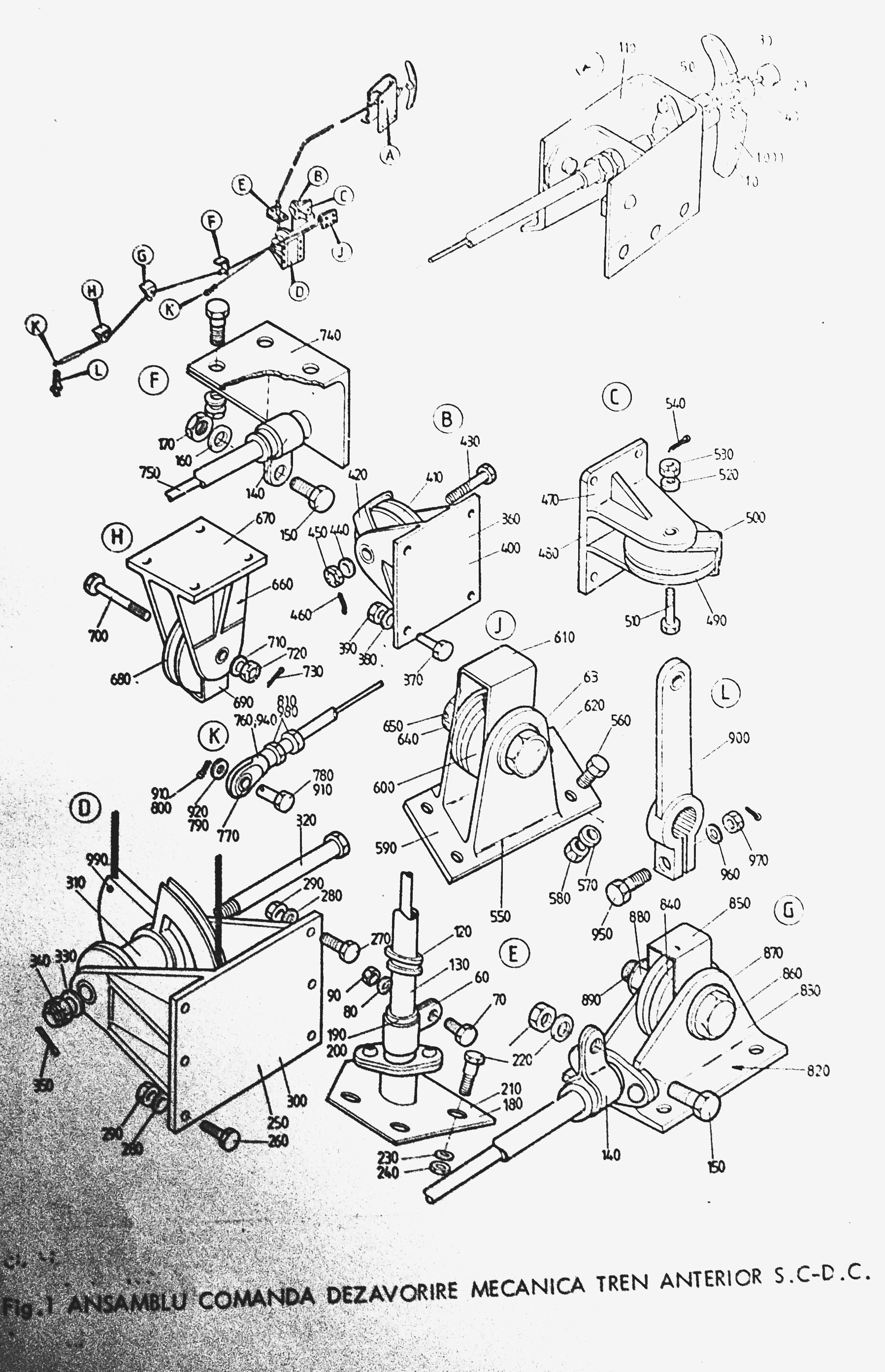
2.3. Comanda dezăvorârii mecanice a jambelor trenului de aterizare din poziția escamotat
Sistemul acestei comenzi dădea posibilitatea scoaterii trenului de aterizare în cazul avariei sistemului scoaterii normale.
Comanda pentru scoaterea trenului de aterizare cu ajutorul circuitului hidraulic de intervenție era formată din:
2.3.1. Comanda pentru scoaterea jambei anterioare, care era formată din:
– maneta de comandă care era dispusă în partea dreaptă superioară a tabloului de bord 10 TD( 12 TD la avioanele de serie);
– cablu flexibil care transmitea comanda dată din cabină la distribuitorul mecanic și zăvorul jambei anterioare.
Comanda se dădea de la această manetă. De la manetă pleca un cablu flexibil până în regiunea cadrelor 9 și 10, de unde se cupla la un sistem de dezăvorâre a lacătului mecanic al jambei anterioare și la un distribuitor mecanic.
Trăgând de manetă, se producea întâi dezăvorârea lacătului mecanic, după care se acționa levierul mecanic care trimitea lichidul sub presiune din hidroacumulatorul de avarie, dispus transversal în nișa jambei anterioare, către verinul de acționare a jambei anterioare. Jamba anterioară ieșea și se zăvora pe poziția SCOS după aproximativ 7-9 secunde. În lipsa presiunii în hidroacumulator, jamba anterioară ieșea și se zăvora pe poziția SCOS datorită acțiunii presiunii dinamice a fileurilor de aer
2.3.2. Comanda pentru scoaterea jambelor principale, care era formată din:
– maneta de comandă, dispusă în partea inferioară a tabloului de bord 10 TD( 12 TD la avioanele de serie);
– cablu flexibil, care transmitea comanda din cabină la:
– distribuitorul mecanic al trenului și trapelor;
– lacătelor de acroșare, dezăvorându-le;
– lacătelor cu bile ale trapelor laterale, dezăvorându-le.
De la maneta de comandă pleca un cablu flexibil care trecea pe partea dreaptă, pe sub podeaua cabinei și ajungea la un demultiplicator de forță (balansier principal cu o intrare și 5 ieșiri). La intrare se cupla cablul manetei, iar la ieșire plecau următoarele 5 cabluri, astfel:
– un cablu se prindea la levierul distribuitorului mecanic trape-tren;
– două cabluri se cuplau la levierele lacătelor mecanice cu bile ale verinelor trapelor laterale;
– două cabluri se fixau la levierele lacătelor de acroșare ale jambelor principale.
Pe prima porțiune a cursei manetei de avarie, se dezăvorau lacătele mecanice ale verinelor trapelor laterale și ale lacătelor de acroșare a jambelor principale. Din acest moment, jambele principale cădeau liber, sub acținea propriei greutăți.
Pe ultima parte a cursei se acționa distribuitrul mecanic trape-tren, care trimitea lichidul sub presiune la verinele trapelor laterale și inferioare, după care făcea același lucru pentru verinele jambelor principale. Jambele principale se zăvorau pe poziția SCOS prin intermediul lacătelor cu segmenți ale contrafișelor telescopice( verine contrafișe).
După scoaterea cu sistemul de avarie, trapele laterale și inferioare rămâneau deschise și nu se mai încerca o nouă escamotare. Lichidul sub presiune era furnizat de un hidroacumulator dispus în nișa frânei aerodinamice din partea stângă.
2.4. Comanda frânei de parcare
Comanda frânei de parcare avea rolul de a transmite comanda de frânare din cabina avionului la elementele de execuție montate la roțile jambelor principale, în cazul în care se defecta sistemul normal de frânare sau în timpul parcării avionului la sol.
Comanda pentru frâna de parcare se realiza trăgând maneta frânei de parcare poziționată în partea superioară a tabloului de bord 10 TS( 9T la avioanele de serie).
Prin intermediul unui sistem de cabluri flexibile comanda era transmisă la distribuitorul de parcare situat în nișa frânei aerodinamice din partea dreaptă. Prin acționarea acestui distribuitor, presiunea hidraulică acumulată în hidroacumulatorul jambelor principale și hidroacumulatorul de parcare se trimitea, printr-o supapă de avarie la cele 4 blocuri de frânare ale roților principale. Fiecare bloc de frânare avea 8 cilindri de comandă, dintre care 4 erau utilizați pentru frânarea de avarie.Maneta frânei de parcare, la capăt de cursă, putea fi blocată prin rotirea cu 90 de grade spre dreapta. În momentul acționării acestei manete, tija manetei acționa un microîntrerupător montat în stânga, care decupla sistemul antiderapaj și scotea din funcțiune circuitul hidraulic normal de frânare.

Înainte de rulaj( de plecarea din ștart), maneta trebuia împinsă până la refuz, chiar dacă aceasta nu fusese acționată, pentru a ne convinge că microîntrerupătorul nu a fost atacat. În caz contrar, avionul nu se putea frâna normal.
La acționarea manetei frânei de parcare, presiunea de avarie era citită pe scala inferioară a manometrului hidraulic triplu.
În timpul rulajului, dacă instalația principală de frânare nu funcționa, se acționa maneta frânei de parcare pentru frânare, prin tragerea de manetă, prin impulsuri de o anumită dozare: se trăgea maneta, atât cât să se simtă că avionul frânează, se împingea înapoi, apoi se trăgea un pic mai mult și tot așa, mărind progresiv cursa manetei și, implicit, presiunea de frânare.
Grigore Leoveanu