Alte comenzi ale avionului IAR-93 erau:
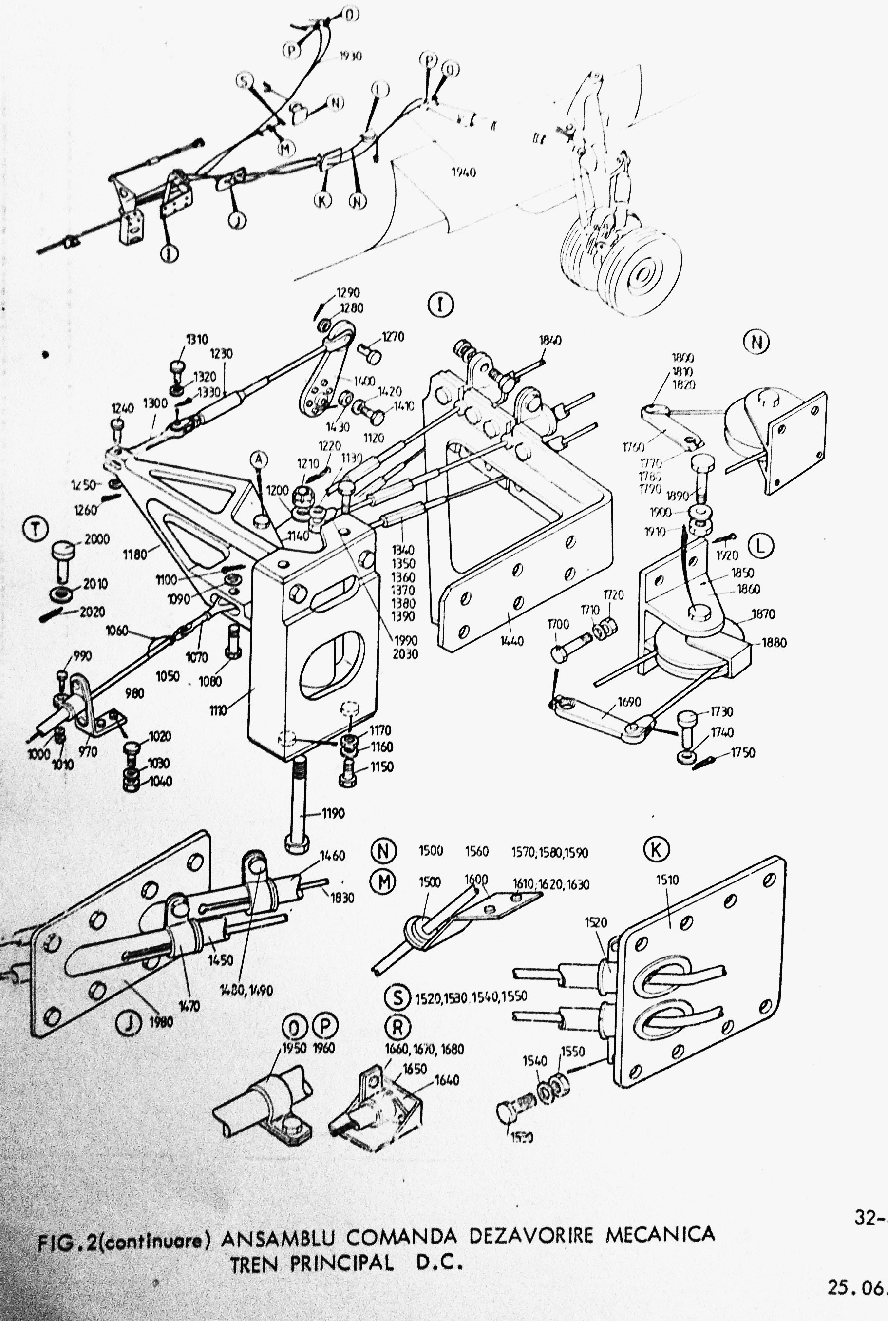
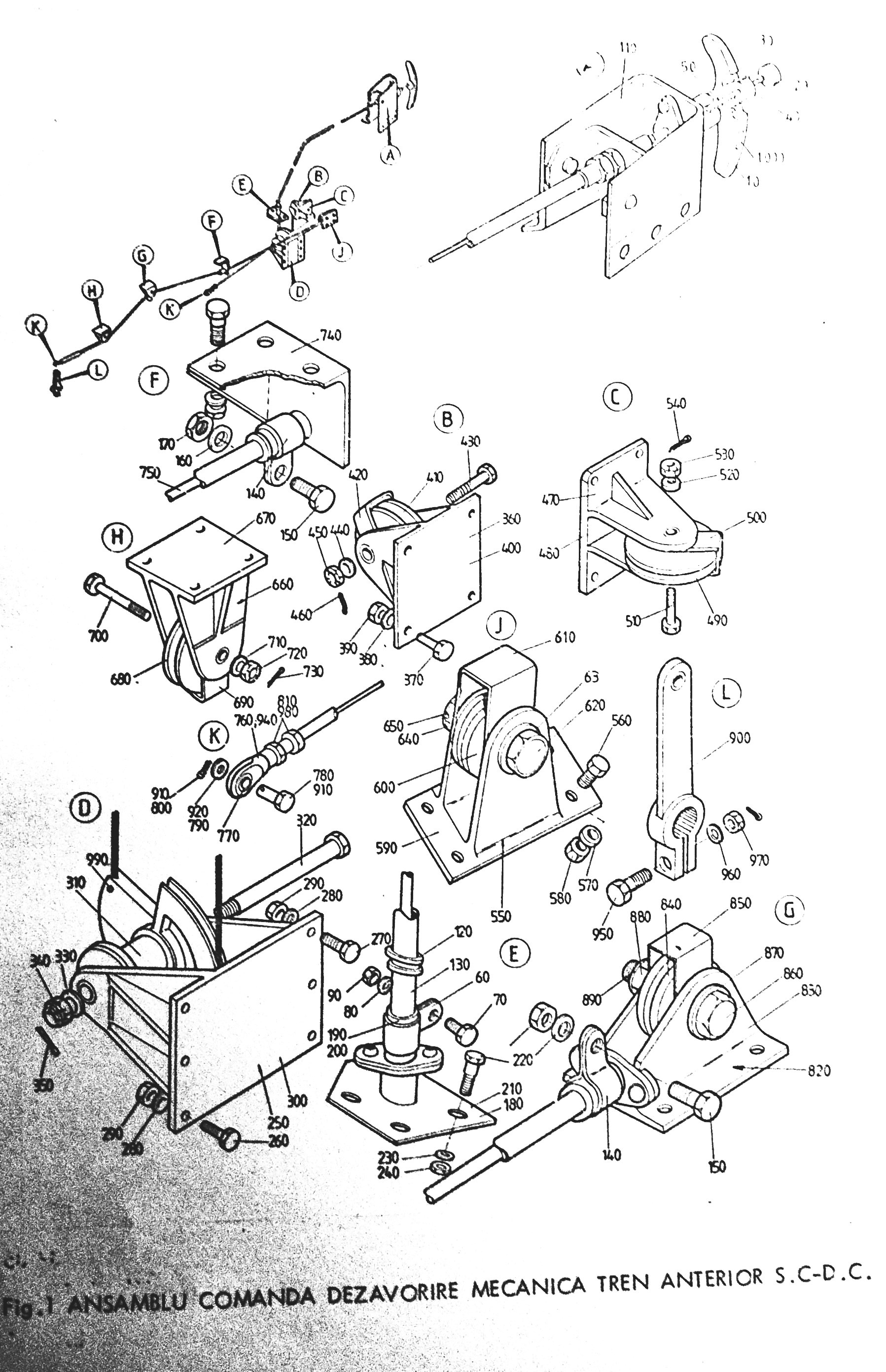
– comenzile escamotării și scoaterii normale a trenului de aterizare;
– comenzile frânării roților jambelor principale;
– comanda mecanismului orientării roții jambei anterioare;
– comanda parașutei de frânare;
– comanda frânelor aerodinamice;
– comanda închiderii manuale a ajutajelor motoarelor la motoarele cu postcombustie de tipul Viper 633-47.
- Comanda escamotării și scoaterii normale a trenului de aterizare
Escamotarea sau scoaterea normală a trenului de aterizare se realiza prin intermediul manetei de comandă a acestuia, dispusă pe tabloul de bord 9TS, în cabina I-a. Pentru acționarea trenului de aterizare din cabina a II-a, în cazul avioanelor cu dublă comandă, era necesară trecerea comutatorului TREN( se prelua comanda trenului pe cabina din spate), de pe tabloul de bord 27 TS (26 TS la avioanele de serie) pe cabina a II-a, apoi se acționa în sensul dorit maneta de acționare a trenului.
Comanda de escamotare sau scoatere a trenului de aterizare era electrică, iar execuția era hidraulică.
Pentru escamotarea trenului de aterizare erau necesare următoarele condiții:
– avionul să fie desprins de pe sol( în momentul desprinderii se destindea un microîntrerupător de pe jamba dreaptă care permitea semnal electric în instalația hidraulică, pentru escamotare);
– roata jambei anterioare să fie adusă pe direcție;
– maneta de acționare a trenului de aterizare să fie pe poziția „ESCAMOTAT”( în sus).
Ordinea escamotării trenului de aterizare era următoarea:
– se deschideau trapele jambelor principale;
– se dezăvora trenul de aterizare de pe poziția „SCOS”;
– se escamotau jambele și se zăvorau pe poziția „ESCAMOTAT”;
– se închideau trapele.
Ordinea scoaterii trenului de aterizare era următoarea:
– se deschideau trapele;
– se dezăvora trenul de aterizare de pe poziția „ESCAMOTAT”;
– ieșea trenul de aterizare și se escamota pe poziția „SCOS’;
– se închideau trapele trenului de aterizare.
Comanda electrică dată la acționarea manetei trenului era transmisă electrodistribuitorului de deschidere a trapelor principale care rămânea activat până în momentul în care trapele se deschideau complet și stabileau contactul microîntrerupătorilor de sfârșit de cursă. După deschiderea completă a trapelor, semnalul electric era transmis la electrodistribuitorul trenului care dădea comanda de execuție corespunzătoare poziției manetei, respectiv pentru escamotare sau scoatere.
La sfârșitul ciclului de escamotare sau scoatere, atât electrodistribuitorul trenului, cât și cel al trapelor rămâneau dezactivați până la primirea unei noi comenzi.
Viteza indicată maximă la care era permisă darea comenzii de escamotare a trenului de aterizare era de 600 km/oră.
Timpul de escamotare a trenului de aterizare era de 8-12 secunde.La viteze mai mari de 600 km/oră, timpul de escamotare a trenului de aterizare creștea și era posibil ca acesta să nu se escamoteze complet.
Pe timpul escamotării trenului de aterizare și flapusrilor, presiunea hidraulică în instalația hidraulică scădea, dar nu sub valoarea de 185 kgf/cmp, cu revenire rapidă la valoarea normală de 210 kgf/cmp după escamotarea acestora.
Pe timpul escamotării trenului de aterizare se creea un moment de picaj al avionului care era parat de către pilot cu manșa sau cu mecanismul efect trimer al stabilizatorului.
Comanda de scoatere a trenului de aterizare se dădea la viteza indicată de 450 km/oră dar nu mai mare de 475 km/oră.
- Comanda frânării roților jambelor principale
Comanda frânării roților jambelor principale avea rolul de a transmite comanda de frânare a acestora la organele de execuție din circuitul hidraulic aferent.
Comanda se compunea din:
– comanda frânării normale a roților jambelor principale;
– comanda frânei de parcare.
2.1. Comanda frânării normale a roților jambelor principale se compunea din:
– două pompe de picior poziționate pe pedalele palonierului;
– cilindrii de frânare, care transmiteau mișcarea de la pompele de picior la supapele de reducție din circuitul hidraulic pentru frânare.
Prin apăsarea pompei de picior se realiza o mișcare a pistonului cilindrului de comandă care acționa supapa de reducție.
Presiunea lichidului de la blocurile de frânare ale roților se citea pe manometrul triplu de pe tabloul 10 TD, pe scala din stânga pentru roțile din stânga, pe scala din dreapta pentru roțile din dreapta și pe scala inferioară pentru circuitul de parcare( la toate roțile trenului de aterizare).


- Comanda mecanismului orientării jambei anterioare
Comanda mecanismului orientării jambei anterioare avea rolul de a comanda orientarea roții anterioare pe timpul rulajului avionului, pe timpul decolării și aterizării.
Mecanismul de orientare era încorporat în capul superior al jambei anterioare și avea o funcționare mecanohidraulică condiționată electric de regimul selectat.
Pentru orientare se acționa butonul aferent dispus pe capul manșei. Astfel, electrodistribuitorul din circuitul hidraulic pentru orientare era acționat și permitea lichidului sub presiune să treacă la mecansimul de orientare. Prin mișcarea palonierului, spre stânga sau spre dreapta, în funcție de nevoile pilotului în rulaj, se acționa sertărașul de distribuție încorporat în mecanism care permitea lichidului hidraulic să pătrundă în camera de forță a mecanismului de orientare, realizând orientarea roții anterioare.
În ceea ce priveşte mecanismul de orientare al jambei anterioare, acesta avea următoarele regimuri de funcţionare:
– regimul de „roată liberă’, jamba putându-se deplasa stânga-dreapta 90o;
– regimul de „orientare’, folosit în cazul decolării şi aterizării: stânga-dreapta 7o;
– regimul „taxi” (care era tot un regim de orientare): stânga-dreapta 50o;
– regim de amortizare a oscilaţiilor laterale.
Pentru folosirea acestor regimuri de funcţionare, pe rama din stânga a cupolei cabinei(pe tabloul 5T), la avioanele de serie cu numerele de înmatriculare de la 201-211, erau prevăzute două butoane dispuse unul sub celălalt: „Orientare” şi”Roată liberă”.
La sol, în rulaj, prin cuplarea butonului „Orientare” se aprindea intermitent lampa de semnalizare de pe tabloul 9T „Orientare jambă anterioară”; prin apăsarea butonului „Taxi” de pe manşă, lampa de semnalizare ardea continuu şi se executa rulajul, iar la cursa maximă a pedalei palonierului, roata jambei anterioare se orienta maxim 7 grade stânga sau maxim 7 grade dreapta. Fără a folosi butonul „Taxi”, roata jambei anterioare se orienta, la cursa maximă a pedalei palonierului la un unghi maxim de 50 de grade stânga sau dreapta.
După intrarea la pistă şi orientarea avionului pe direcţie, pentru decolare, se cupla butonul „Roată liberă” şi semnalizarea „Orientare jambă anterioară” se stingea.
Cuplarea sistemului era indicată în cabină prin aprinderea lămpii de semnalizare „ORIENTARE” dispusă pe tabloul de bord 9T în cabina I-a și 26 T în cabina a II-a.
La avioanele de preserie, regimul de orientare al roţii jambei anterioare permitea orientarea acesteia în timpul rulajului, prin apăsarea butonului „Taxi” de pe manşă, la un unghi maxim de 50 de grade stânga sau dreapta, la cursa maximă a pedalei palonierului.
Pe lângă operațiunea de orientare a roții jambei anterioare, mecanismul avea și rolul de aducere a acesteia pe poziția neutră, la destinderea amortizoarelor jambelor principale și amortizarea oscilațiilor ce ar fi apărut în timpul rulajului la decolare sau aterizare.
Poziția de neutru a jambei anterioare, la avioanele de serie era indicată în cabină prin intermediul lămpii de semnalizare dispusă pe tabloul de bord 9T și 26 T, deasupra lămpii ORIENTARE.


- Comanda parașutei de frânare
Comanda parașutei de frânare avea rolul de a comanda scoaterea și largarea acesteia. Comenzile deschideii petalelor containerului parașutei și a largării acesteia erau electrice, iar execuția era hidraulică.
Pentru scoaterea parașutei de frânare se apăsa butonul „SCOATERE PARAȘUTĂ” dispus pe tabloul 5 T din cabina I-a sau 26 T din cabina a II-a, iar pentru largarea parașutei de frânare se acționa butonul „LARGARE PARAȘUTĂ” dispus pe tabloul 5T în cabina I-a și 27 T în cabina a II-a.
Acționând butonul de scoatere a parașutei se dechideau petalele containerului parașutei de frânare, iar acționând butonul de largare, se desprindea inelul cordonului parașutei de lacătul de acroșare.
Instalația era compusă dintr-un sistem cinematic de acționare a petalelor, un lacăt de blocare a sistemului cinematic, un verin de deblocare a lacătului, lacătul de acroșare a parașutei și verinul de dezăvorâre a lacătului de acroșare. Petala stângă acționa un microîntrerupător ce comanda largarea automată a parașutei de frânare în cazul deschiderii necomandate a petalelor.
Comanda se dădea în următoarea ordine:
– scoaterea parașutei de frânare, la viteza sub 250 km/oră;
– largarea parașutei.
Dacă în zbor se dădea comanda LARGARE, sistemul nu acționa.


- Comanda frânelor aerodinamice
Comanda frânelor aerodinamice avea rolul de a comanda scoaterea sau escamotarea frânelor aerodinamice, pentru micșorarea vitezei de zbor a avionului.
Comanda acționării frânelor aerodinamice era electrică, iar execuția era hidraulică.
Pentru scoaterea frânelor aerodinamice se acționa butonul dispus pe manșă, caz în care acestea ieșeau doar atât timp cât era acționat butonul, la eliberarea acestuia acestea escamotându-se sau prin trecerea comutatorului de pe maneta de gaze pe poziția scos, caz în care frânele aerodinamice ieșeau și se opreau pe poziția scos, iar apoi, pentru escamotare fiind necesară trecerea aceluiași comutator în cealaltă poziție, respectiv pentru escamotat.
În cabina a II-a, acționarea frânelor aerodinamice se realiza prin intermediul comutatorului dispus pe maneta de gaze, care avea rolul de preluare a comenzii din cabina I-a, prin trecerea acestuia pe poziția din spate, iar comanda acestora se realiza prin intermediul butonului de pe manșă.
Poziția „SCOS” a frânelor aerodinamice era indicată de către lampa de culoare verde „FRÂNE AERODINAMICE” dispusă pe tabloul de bord 10 TS, din cabina I-a și tabloul 27 TS din cabina a II-a (26 TS la avioanele de serie).
- Comanda închiderii manuale a ajutajelor motoarelor la motoarele cu postcombustie de tipul Viper 633-47
Această comandă avea rolul de a comanda închiderea manuală a ajuatelor în condițiile în care la decuplarea sistemului de postcombustie, acestea rămâneau pe secțiune mare.
Comanda era electrică iar execuția hidromecanică.
Prin cuplarea comutatoarelor electrice dispuse pe tabloul de bord 9TS (27 TS în cabina a II-a) se activa ansamblul „Microjet” de pe fiecare motor, care permitea trecerea lichidului sub presiune la cele 4 verine de execuție care acționau asupra inelului mobil de închidere a voleților ajutajelor.
Cu motoarele în funcțiune comanda de închidere manuală a ajutajelor se dădea numai la turaje mai mari de 80 %.
Grigore Leoveanu