Sari la conținut
Meniu
Acasă
Despre site
Program YUROM
Articole
Biografii
Lista articolelor publicate
Contact
Descriere
Avion
Descriere generală
Caracteristici tehnice
Performanțe
Structură
Instalații
Motor
Armament
Scaun catapultare
Diferențe constructive presereie/serie
Proiectare
Istoric
Tema proiectare
Calcul
Geometrie/Gravimetrie
Performanțe
Rezistență
Aeroelastcitate
Structură
Instalații
Simulatorul avionului IAR 93
Mărturii
Articole
Fabricație
Fabricare prototip
Producție avioane
Scaun catapultare românesc
Încercări în zbor
Centrul de încercări în zbor
Piloți încercare
Personal tehnic
Evenimente zbor
Mărturii
Exploatare
IAR 93 în exploatare
Personal navigant
Personal tehnic
Mărturii exploatare
Scoatere din exploatare
Articole
Analize
Invitație
Jubileu 50 ANI
Învătământ tehnic
Video
Fotografii
Search for:
Search Button
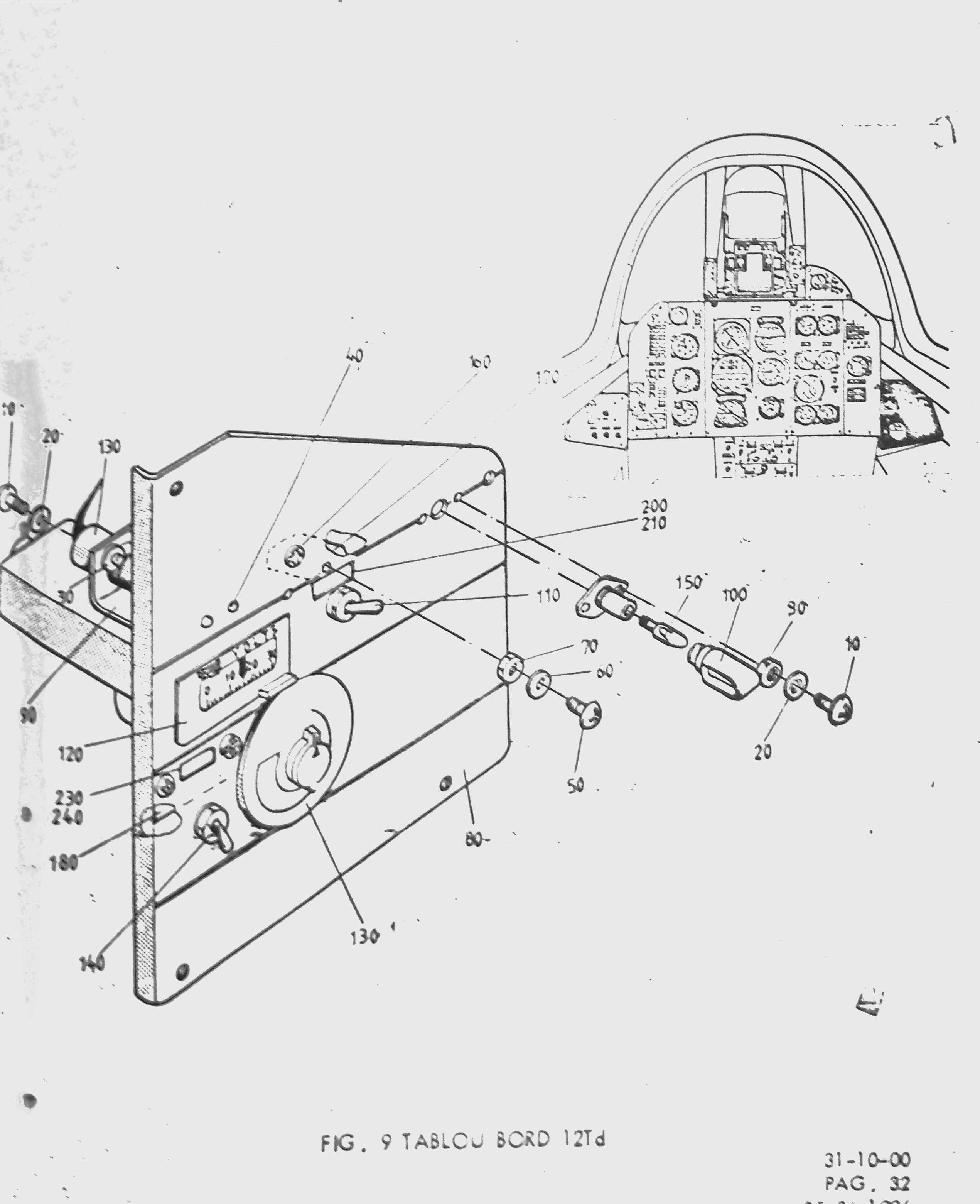
Amenajare cabină
Fotografii avion Preserie I sc.
Grigore Leoveanu